|

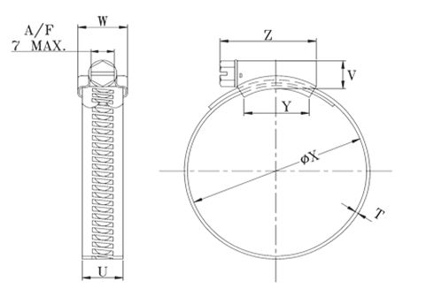
Materials
Worm Drive Hose Clamps are made from CR Mild Steel
Quality Standard
Shreeji adheres to and lays stress on Quality products only i.e. TQM(Total Quality Management) and could build world class quality products exceeding the requirements stipulated in different Clamps specifications.
Sizes
SHREEJI HOSE CLAMPS
|
| As per IS: 4762 |
Shreeji |
As per
BS : 5315 |
Clamping Range (X) |
Ultimate Breaking Torque |
Minimum Hydraullic Pressure |
Sizes |
Sizes |
Sizes |
MM |
Inch |
Kgf/cm |
Kg/cm |
|
|
|
Min |
Max |
Min |
Max |
12 |
OOO |
12 |
9 |
12 |
3/8 |
1/2 |
46 |
14.1 |
16 |
00M |
16 |
12 |
16 |
1/2 |
5/8 |
20 |
OO |
20 |
14 |
20 |
1/2 |
3/4 |
| |
|
|
|
|
|
|
|
|
|
|
|
|
|
|
|
|
|
22 |
0 |
22 |
16 |
22 |
5/8 |
7/8 |
58 |
14.1 |
25 |
100S |
25 |
18 |
25 |
3/4 |
1" |
28 |
0X |
- |
20 |
28 |
3/4 |
1.1/8 |
| |
|
|
|
|
|
|
|
|
|
|
|
|
|
|
|
|
|
30 |
1A |
30 |
22 |
30 |
7/8 |
1.1/4 |
69 |
8.4 |
35 |
35A |
35 |
25 |
35 |
1" |
1.3/8 |
38 |
1 |
- |
30 |
38 |
1.1/8 |
1.1/2 |
40 |
1X |
40 |
30 |
40 |
1.1/8 |
1.5/8 |
| |
|
|
|
|
|
|
|
|
|
|
|
|
|
|
|
|
|
45 |
45A |
45 |
32 |
45 |
1.1/4 |
1.3/4 |
81 |
8.4 |
50 |
2A |
50 |
38 |
50 |
1.1/2 |
1.7/8 |
55 |
2 |
- |
42 |
55 |
1.5/8 |
2.1/8 |
| |
|
|
|
|
|
|
|
|
|
|
|
|
|
|
|
|
|
60 |
2X |
60 |
45 |
60 |
1.3/4 |
2.3/8 |
92 |
4.2 |
70 |
3 |
70 |
50 |
70 |
2" |
2.3/4 |
75 |
75A |
- |
55 |
75 |
2.1/4 |
3" |
80 |
3X |
80 |
60 |
80 |
2.3/8 |
3.1/8 |
| |
|
|
|
|
|
|
|
|
|
|
|
|
|
|
|
|
|
90 |
4 |
90 |
70 |
90 |
2.3/4 |
3.1/2 |
92 |
4.2 |
100 |
4X |
100 |
80 |
100 |
3.1/8 |
4" |
110 |
110A |
- |
90 |
110 |
3.1/2 |
4.3/8 |
115 |
5 |
- |
95 |
115 |
3.3/4 |
4.5/8 |
120 |
5X |
- |
100 |
120 |
4" |
4.3/4 |
130 |
5XX |
130 |
110 |
130 |
4.3/8 |
5.1/4 |
145 |
6 |
- |
125 |
140 |
5" |
5.1/2 |
160 |
6XX |
160 |
140 |
160 |
5.5/8 |
6.3/8 |
|
|
Available in White and Yellow Plating
Larger Sizes available on request only.
|